HR30シリーズ&ケーブル加工

HR30シリーズは、小型防水プラスチックコネクタの決定版です。短尺で軽量(フィンガーサイズ)、3~12極、IP68(水深2mに14日間放置)の防水性能、プッシュプルロックの簡単操作などの特長がございます。医療機器、食品加工工場での配線、屋外でのセンシングなど、防水が必要な箇所で大きな役割を果たします。HR30において太平電機では、コネクタ単体、適合ケーブル、ハーネス加工品すべてに対応しております。今回、HR30の便利な使い方や特徴を紹介いたします。

「防水丸形コネクタハーネス在庫」のページはこちらから!

1.コネクタへの浸水、錆、異物侵入でお困りの方へ

コネクタ内に水が入ってしまう
スクリューロックコネクタ

スクリューロックコネクタ

画像クリックで拡大します

一般的な防水コネクタは、カップリングナットがネジになっている「スクリューロック」タイプが多いです(手で回して締め込むタイプ)。このタイプを使うときは注意が必要です。

<振動に注意>                                                                       
ネジによる嵌合は振動に弱いです。モーターの近く、路面、橋梁、移動体内部では振動が発生しネジを緩めてしまいます。コネクタ内部のOリング(ゴム)が嵌合相手につぶされることにより水の侵入を防いでいます。振動により嵌合が緩むとOリングと嵌合相手との間に隙間ができて水の侵入を許してしまいます。

<ロックの締め付けが緩い>                                                 
スクリューロックタイプは嵌合時、どこまで回せば良いかわからない場合があります。力の強弱にも個人差があります。万一、嵌合のネジの締め込みが緩かった場合、水の侵入を許してしまいます。

<HR30は?>                                                                       
スクリューロックではなく「プッシュプル」ロックという差し込むだけで適正な嵌合状態となります。カチッと音がするまで差し込むだけです。力の加減は必要ありません。またネジによる締付けではありませんので、振動で緩むことはありません。

金属製コネクタの錆や固着
ゴムジャケット

防錆ゴムジャケット

金属は水分や塩害により錆びてしまいます。コネクタが錆びてしまうことにより特性が悪くなったり、固着して抜けなくなったりしてしまいます。HR30はプラスチック製のコネクタですので錆の心配はありません。金属製のコネクタは錆防止のためゴム製のジャケットを被せることがあります(右図)。

スクリューロック部への異物混入

画像クリックで拡大します

防水コネクタの中には、コネクタ嵌合部がネジ構造になっている「スクリューロック」タイプがございます。コネクタを差し込み、つまみ部分(内側にネジ山が切ってある)を回して締め込んでいき、止まったところで締め込み完了となります。このとき、内部のパッキン(ゴム製のOリングなど)が潰れることにより水の侵入を防ぎます。ところが、屋外使用の場合、このネジ山部に砂などの異物が混入することがあります。コネクタを嵌合してつまみ部分を締め込んでも異物によってパッキンが潰れる前に止まってしまいます。この場合、隙間が生じてしまいますので水の侵入を許してしまいます。

2.わかりやすい挿抜!

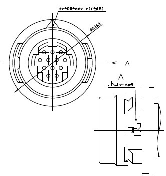
目でも手でも嵌合位置がわかりやすい

HR30の嵌合方法

コネクタを嵌合するときは、右図の白マーク同士を合わせて差し込むだけで嵌合できます。差し込むときは、右図の「A」の部分を持ってまっすぐ差し込みます。カチッと音がなって止まれば、浸水の無い適正な嵌合となります。抜去のときは「B」の部分を持ってまっすぐ引き抜きます。挿抜ともに力加減は気にせず、また特別な工具も不要です。仮に暗い場所や見えにくい場所にHR30がある場合でも容易に挿抜ができます。右図の「複数のガイドキー」により適正な嵌合位置が手探りでわかるようになっています。プラグをレセプタクルに押し当て、回してみるとガクッと一段落ちる場所があります。それがガイドキーが示す適正な嵌合位置となります。そのまま差し込めば適正な嵌合が可能です。

HR30嵌合動画

HR30のプラグとレセプタクルを手で持って嵌合する動画です。
嵌合時の「クリック感」の音が確認できます。

お問合せはこちらをクリック

3.防水コネクタは高価?ケーブルグランドが良い?

防水コネクタは高い?

ヒロセ電機「JR-Wシリーズ」

一般的な防水コネクタは、金属製でゴツイため見るからに「高そう」なイメージです(右図)。一方、HR30はプラスチックで構成されておりますので、安価です。同じ、はんだ結線3極のプラグでJR-Wシリーズと価格の比較をしてみましょう。下記の通りJR-Wを100とした場合、半額以下です。

<JR-Wシリーズ>                                                                       
JR13WP-3S(31)・・・・100

<HR30シリーズ>                                                                       
HR30-6P-3S(31)・・・・45

ケーブルグランドのほうが良い?

画像クリックで拡大します

選定されたケーブルに適合する防水コネクタがないためにケーブル直出しの「ケーブルグランド」を選択された経験はございませんか。上記の通り、HR30は、比較的安価なため選択しやすくなっております。また、ケーブルグランドは、以下のようなデメリットがございます。

①現地での結線作業において装置の蓋を開ける必要がある
(雨、砂が入る可能性あり)                                                 
②装置の蓋が正しく閉められていないと後々不具合が生じる
③ケーブルの張替え、交換の時、または装置故障時には現地で再度結線作業が必要

4.小型でも高機能!

小型でも最大で12芯

画像クリックで拡大します

HR30シリーズの極数は、3、6、10、12となり最大で12芯のケーブルを使うことが可能です。装置側に取り付くレセプタクルのサイズは、右図の通り、Φ15mmと小型です。嵌合相手のプラグの長さは、約43mmと短く場所をとりません。重量もプラグ+レセプタクル=9gと軽量です。

<HR30レセプタクル:12芯>                                                     
HR30-7R-12P(31)

<HR30プラグ:12芯>                                                           
  HR30-7P-12S(31)

<HR30ジャック:12芯中継>                                                   
 HR30-7J-12P(71)

小型でも大電流=5A

画像クリックで拡大します

HR30シリーズは、3極のタイプの定格電流は、5Aです(6、10、12極は、2A)。小型でもある程度の電流を流すことが可能です。装置側に取り付くレセプタクルのサイズは、右図の通り、Φ12mmと小さいです。嵌合相手のプラグの長さは、約32mmと短く省スペース化に寄与します。重量もプラグ+レセプタクル=6gと軽量です。

<HR30レセプタクル:3芯>                                                     
 HR30-6R-3P(31)

<HR30プラグ:3芯>                                                                 
HR30-6P-3S(31)

コネクタを複数個並べて使う

画像クリックで拡大します

HR30シリーズは、嵌合方法がプッシュプル操作のため、コネクタとコネクタの間にスペースを多くとる必要がありません。一方、スクリューロックの場合、手を入れて回すためにある程度、コネクタ間にスペースが必要です。例えば、IoT機器を屋外に設置する場合、センサーモジュールとの接続は小型のコネクタが望ましいです。金属製の大きな防水コネクタでは装置が大型化してしまい使いにくくなります。

高信頼性の金メッキ端子

接続信頼性を上げたい場合や厳しい環境で使用したい場合、HR30は最適です。コネクタの端子の接触部が金メッキになっております。下記の試験を実施しており、試験データも提出可能です。

 ・塩水噴霧試験                                                                                                                                                 
 ・硫化水素ガス試験

5.コネクタキャップについて

プラグ用のゴムジャケット
HR30ゴムジャケット

ゴムジャケットを被せたHR30プラグ

太平電機では、HR30シリーズのオリジナルのゴムのジャケットを用意しております。プラグ用と中継接続できるジャック用の2種類です。以下の用途に最適です。

・色による識別:複数個使いのときに便利                             
・紫外線対策:直射日光の影響が大きい場合

標準ゴムキャップ
HR30レセプタクルキャップ

HR30レセプタクル用キャップ

HR30プラグキャップ

HR30プラグ用キャップ

HR30シリーズは、プラグとレセプタクルが嵌合してはじめて「防水機能」をはたします。よって装置側のレセプタクルは、プラグが嵌合するまではキャップで蓋をしておくことをお勧めします。特に屋外の場合、風雨にさらされる可能性があります。装置の設置とケーブルの接続との間にタイムラグがある場合や、オプションポートのため、いつプラグと嵌合するかわからない場合など。取り付け方法は、キャップの先にある輪をレセプタクルと共締めします。ひも付きのため、キャップを外してもキャップを紛失することがありません。

HR30シリーズでは、プラグ用のキャップも用意しております。長いケーブルの先端にHR30のプラグが付く場合が多く、現場で万一、プラグを引きずってしまうと破損や異物混入の恐れがあります。このようなことを防ぐためにプラグにもキャップを取り付けておくことをお勧めします。キャップの構造はレセプタクルと同様、ひもと輪が付いています。輪の部分を予めケーブルに通しておくことでキャップ紛失の恐れがなくなります。

6.はんだ結線と圧着結線の両方に対応!

はんだ結線:電線サイズの幅が広い

HR30のソルダーポッド

HR30シリーズは、3/6/10/12極のラインナップがございますが、はんだ結線タイプは、3/6/12極となります。それぞれの適合電線サイズを以下に示します。

・3極(電源用)                                                                         
ソルダーポット内径=Φ1.1mm→AWG#20以下                   
・6極(信号用)                                                                       
ソルダーポット内径=Φ0.8mm→AWG#22以下                   
・12極(信号用)                                                                     
ソルダーポット内径=Φ0.6mm→AWG#26以下

*信号用でも電流=2Aまで流せますので、電源/信号複合も可能                                                           
*太平電機では、HR30シリーズ専用ケーブルを用意しておりますのでハーネス加工まで請負ます

圧着結線:ハーネスコストが下がる
はんだ付け後の熱収縮チューブ

はんだ付け後の熱収縮チューブ

HR30シリーズは、極数の多い10/12極ではハーネス加工コストが安価になる圧着タイプも用意しております。コネクタと端子の組み合わせを一例を以下に示します。

<プラグ:圧着タイプ>                                                         
HR30-7P-10SC(71):10極メス端子用                                   
 HR30-SC-211:メス端子(量産用リール梱包)                     
HR30-SC-111:メス端子(試作用ばら梱包)

<レセプタクル:圧着タイプ>                                                                                                                 
HR30-7R-10PC(31):10極オス端子用                                                                                                     
HR30-PC-211:オス端子(量産用リール梱包)                                                                                       
HR30PC-111:オス端子(試作用ばら梱包) 

*圧着端子の場合、結線部の付け根の熱収縮チューブは不要です                                                           
*試作用ばら梱包の端子は、手動工具で圧着しますが専用工具をお貸し出しできます                               
*量産用リール梱包の端子は、専用のアプリケータを使いますが弊社で対応可能です                         
(下記、圧着可能端子リストを参照願います)

7.レセプタクルとハーネス加工

レセプタクルハーネスのコストダウン
HR30レセプタクル圧着

HR30レセプタクル:圧着タイプ

HR30シリーズの10/12極が対象となりますが、圧着タイプのレセプタクルを選定いただき、逆端には圧着タイプのナイロンコネクタを選びます。それぞれのアプリケータを準備して「両端自動圧着装置」に取り付けます。あとは、電線と端子をセットして作動させれば、自動で両端圧着まで行えるため人手がほとんどかかりません。よって圧着作業コストを削減することができます。

レセプタクルの逆側のコネクタ(筐体とナット類をくぐり抜ける必要あり)
レセプタクルと内部配線

レセプタクルと内部配線

HR30のレセプタクルを装置の筐体に取り付ける場合、右図のように筐体の内側からナットで締め付けます。そのため、レセプタクルのハーネスに取り付いた逆側のナイロンコネクタが筐体の取り付け穴を通り抜ける大きさでないと組み立てることができません(図1)。太平電機では、HR30のレセプタクルの取り付け穴寸法(パネルカットアウト)をくぐり抜けるサイズのナイロンコネクタを選定しております(図2)。下表に最適な組み合わせを示します。

*ナイロンコネクタのハウジングに端子を挿入しなければ、筐体の穴を通る場合がありますが、端子が変形する可能性があるためお勧めしません。

 


図1 筐体の取り付け穴をくぐらない

図2 筐体の取り付け穴をくぐる

HR30(3芯、最大5A)の場合

逆側コネクタ   芯数  最大電流   最大電線サイズ   備考
DF13 2、3 1A AWG#26  
DF65 3 4A AWG#24

くぐらせ方に工夫

DF61 2 5A AWG#22  
DF61Y 2 4A AWG#24  
DF11 4 2A AWG#22 1芯余らせて使う
DF57 2 3A AWG#26  
DF57 3 2A AWG#28  
DF1B 2 3A AWG#20  
DF52 2 2.5A AWG#28:薄肉  

HR30(6芯、最大2A)の場合

逆側コネクタ 芯数 最大電流 最大電線サイズ 備考
DF13 2~6 1A AWG#26 くぐらせ方工夫
DF52 3~5 2A AWG#28:薄肉 くぐらせ方工夫
DF52 3~5 2A AWG#28:薄肉 くぐらせ方工夫
DF52 6 1.5A AWG#28:薄肉 くぐらせ方工夫

HR30(12芯、最大2A)の場合

逆側コネクタ 芯数 最大電流 最大電線サイズ 備考
DF13 12 1A AWG#26 くぐらせ方工夫
DF52 12 1.2A AWG#28:薄肉 くぐらせ方工夫
DF11 6芯×2   12 2A   ※写真1

DF3 2芯+DF13 10芯

12 2A、1A  

くぐらせ方工夫 ※写真2

※写真1 DF11 6芯×2 
※写真2 DF3 2芯+DF13 10芯
レセプタクル周辺をさらにコストダウン
HR30ストレートDIP

HR30ストレートDIP

装置の正面パネルと平行に基板がある場合は、ストレートDIPタイプのレセプタクルを使うことにより、ハーネスを省略することができます。レセプタクルは他の部品と一緒にはんだ槽で実装可能です。

8.適合電線、適合ケーブルとハーネス加工ほか

HR30シリーズと専用ケーブル

3芯用ケーブル:画像クリックで拡大します

6芯用ケーブル:画像クリックで拡大します

12芯用ケーブル:画像クリックで拡大

4芯+ドレイン:画像クリックで拡大

防水コネクタのケーブルを選定する場合、①ケーブル外径がコネクタに適合するか、②ケーブルの芯線がコネクタの端子に結線できるサイズか、この2点が重要です。太平電機ではHR30に適合する専用ケーブルを準備しております。小ロット、短尺でも販売いたしますので是非ご用命ください。以下、コネクタ品名と専用ケーブルの組み合わせを示します。

<3芯>                                                                                   
HR30-6P-3S(31):プラグ                                                     
適合ケーブル(シース)外径=Φ4.2~5.0mm、
芯線が入るソルダーポッド径=Φ1.1mm以下                                                → 3芯用ケーブル:シース外径=Φ4.5mm、
  導体外径=Φ0.95mm、屋外対応

<6芯>                                                                                   
HR30-6P-6S(31):プラグ、メス端子                                   
HR30-6P-6P(31):プラグ、オス端子                                     
HR30-6J-6P(31):ジャック                                                   
適合ケーブル(シース)外径=Φ4.2~5.0mm、
芯線が入るソルダーポッド径=Φ0.8mm以下                                                → 6芯用ケーブル:シース外径=Φ4.7mm、
  導体外径=Φ0.61mm、屋外対応

<12芯>                                                                                 
HR30-7P-12S(31):プラグ、メス端子                                     
HR30-8P-12P(31):プラグ、オス端子                                   
 HR30-7J-12P(31):ジャック、オス端子                                 
HR30-8J-12S(31):ジャック、メス端子                                   
適合ケーブル(シース)外径=Φ6.2~7.0mm、
芯線が入るソルダーポッド径=Φ0.6mm以下                                                → 12芯用ケーブル:シース外径=Φ6.5mm、
  導体外径=Φ0.48mm、屋外対応

<4芯>                                                                                     
HR30-6PA-6S(31):プラグ、メス端子                                     
HR30-6PA-6P(31):プラグ、オス端子                                     
HR30-6JA-6P(31):ジャック                                                    
適合ケーブル(シース)外径=Φ3.5~4.3mm、
芯線が入るソルダーポッド径=Φ0.8mm以下                                         
→ 4芯用ケーブル:シース外径=Φ3.8mm、
  導体外径=Φ0.38mm、シールド付き

一体成型タイプ(オーバーモールド)
HR30オーバーモールド

HR30:オーバーモールドタイプ

HR30一体成型

VCTFケーブルと一体成形後のプラグ

HR30一体成型ジャック

一体成型プラグとジャック

HR30シリーズには、「オーバーモールド」タイプがございます。こちらを使えば、通常の組み立て式のHR30に適合しないケーブル径のケーブルでも対応できる場合がございます。例えば、ケーブル径=8mmでは太すぎてHR30の組立ができません。また、ケーブル径=3mmでは細すぎて、ケーブルとコネクタとの間に隙間ができて水が入ってしまいます。これらを解消するために、結線後、コネクタと電線を一体成形します。HR30は、一体成型(オーバーモールド)タイプのコネクタの準備がございます。また、太平電機では、3芯と6芯用の一体成型用の金型を保有しております。

<VCTF:0.5sq、3芯>                                                         
屋外用電源ケーブルとして一般的なVCTFケーブルですが、HR30の3芯タイプにはケーブル径=6mmと太く組立ができません。一体成型であればケーブルアッセンブリができます。

<2芯平行線>                                                                       
温度センサーや電源コードでは2芯平行線がよく使われます。しかし、一般的な防水コネクタでは断面が丸いケーブルに合うように設計されております。太平電機保有の金型であれば、2芯並行線でも防水を保ったケーブルアセンブリが可能です。

<屋外での中継延長>                                                             
HR30では、オーバーモールドタイプのジャックも用意しております。プラグ用の金型と共通化しております。

<カラーバリエーション>                                                     
オーバーモールドの樹脂の色を変えることによって、色違いのコネクタを作ることができます。複数個同時に使う場合の識別に便利です。

その他のケーブル

<屈曲が多い場所>                                                                                                                                         
ロボットケーブルに適合するケーブルも用意できますので、ご相談ください。

<水中、水没環境>                                                                                                                                         
ヒロセ電機としましては、HR30は水中での使用は保証対象外ですが、太平電機では、ケーブルアッセンブリーとして水中で使えるよう工夫が可能です。水没水圧試験も実施できますので、合わせてご相談ください。

ハーネス加工(ケーブルアッセンブリー)

HR30専用治具:画像クリックで拡大

太平電機では、HR30のハーネス加工、ケーブルアッセンブリーにも対応いたします。協力工場であるハーネスメーカで高品質のハーネス品を加工いたします。                                   
・HR30専用治具が揃ってます!                                           
・細かいはんだ付け作業を得意としております!                 
・圧着タイプの端子加工も可能で在庫もございます!           
・各種電線の在庫もございますのでご支給不要です!                                                                           
・小ロットに対応いたします!

関連ページのご紹介

「小型ハイパフォーマンス」をコンセプトとした、電線-基板接続用信号伝送コネクタ

ヒロセ電機、日本圧着端子製造(JST)、Molex、航空電子(JAE)等のハーネス加工ができます。

頼りになるコネクタ達

太平電機の営業部員が厳選した使いやすいコネクタとその使い方を紹介します。

詳細はこちらへ
お問い合わせ
お気軽にお問合せください

お電話でのお問合せはこちら

045-322-5055

メールでのお問合せは、24時間受け付けております。お気軽にご連絡ください。

サイドメニュー

パソコン|モバイル
ページトップに戻る